
アナログ回路・デジタル回路、世の中にまだない新製品開発・設計を得意としています。
business
製品開発が主な事業です。回路設計・プリント基板設計・基板製造・部品実装のすべての工程を行う事が可能です。
図研製CAD使用し、保守メンテ契約済でご安心頂ける環境を構築しています。
回路設計

アナログ回路・デジタル回路、世の中にまだない新製品開発・設計を得意としています。
プリント
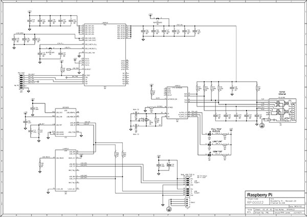
基板設計

民生機器を中心に数多くの実績で低層基盤でお困りの方に喜ばれています。部品登録、設計仕様設定、ガーバー出力など どの工程からでも臨機応変に対応いたします。
基板製造

品質・納期を重視し、お客様のご要望にあった基板製造の対応でご満足いただいております。
部品実装

手付け・リフロー実装どちらでも対応可能です。
ご依頼作業は、どこからでも、どの部分だけでもお引き受け可能です。
回路入力、シミュレーション、提携協力企業と連携し前向きに対応いたします。ぜひ、ご相談ください。

東京理科大学様との共同研究の実施や、公立諏訪東京理科大学様・研究室サポート実績など積極的に未来の技術開発に取り組んでいます。
